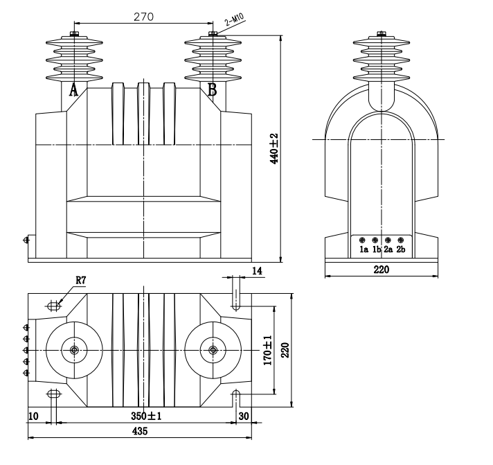
Diese Art von Spannungswandler ist ein vollständig geschlossenes Produkt aus Epoxidharz-Guss, geeignet für Innenräume mit 50 Hz und einer Nennspannung von 10 kV und darunter in Stromnetzen für Spannungs- und Leistungsmessung und Relaisschutz.
Technische Parameter
Norm:GB/T20840.1 und GB/T20840.3
Umgebungstemperatur:-5℃~+40℃
Nennfrequenz: 50Hz
Verunreinigungsgrad: Ⅱ Grad
| Modell | Nennspannungsverhältnis (kV) | Sekundäre Nennleistung (VA) | Thermische Grenzleistung (VA) | Bemessungsisolationspegel (kV) | ||||
| Klasse0.2 | Klasse 0.5 | Klasse 1 | Klasse 3 | 6P | ||||
| JDZ9-15 | 15/0.1 | 20 | 50 | 80 | 200 | / | 600 | 18/55/105 |
| JDZ9-20 | 20/0.1 | 30 | 80 | 150 | 300 | 600 | 24/65/125 | |
| JDZX9-15G | 15/ √3/0.1/ √3/0.1/3 | 20 | 50 | 80 | 200 | 50 | 500 | 18/55/105 |
| JDZX9-20G | 20/ √3/0.1/ √3/0.1/3 | 20 | 50 | 80 | 200 | 100 | 500 | 24/65/125 |



京公网安备 11010802043282号